
Twist Clamp Cylinder--ACK Series
Theoretical Clamping Force (Unit: Newton (N)) Specification ① If there is no buffering device, exhaust throttle shall be added to achieve buffering effect. ② PT thread, NPT and G thread are available. Stroke Symbol Product Feature 1. The material of seals guarantees the reliable performance of...
- Product Introduction
IKS PVD Technology (Shenyang) Co., Ltd. is one of the most reliable manufacturers and suppliers of twist clamp cylinder--ack series in China, featured by quality products and low price. If you're going to wholesale cheap twist clamp cylinder--ack series made in China, welcome to get quotation from our factory.
Theoretical Clamping Force (Unit: Newton (N))
Bore size (mm) | Rod size (mm) | Operating pressure (MPa) | ||||||
| 0.1 | 0.2 | 0.3 | 0.4 | 0.5 | 0.6 | 0.7 | ||
| 25 | 14 | - | 67.4 | 101.1 | 134.8 | 168.5 | 202.2 | 235.9 |
| 32 | 16 | 60.3 | 120.6 | 181.0 | 241.3 | 301.6 | 361.9 | 422.2 |
| 40 | 16 | 105.6 | 211.1 | 316.7 | 422.2 | 527.8 | 633.3 | 738.9 |
| 50 | 20 | 164.9 | 329.9 | 494.8 | 659.7 | 824.7 | 989.6 | 1154.5 |
| 63 | 20 | 280.3 | 560.6 | 840.9 | 1121.2 | 1401.5 | 1681.9 | 1962.2 |
Specification
| Bore size (mm) | 25 | 32 | 40 | 50 | 63 |
| Acting type | Double acting | ||||
| Fluid | Air(to be filtered by 40 um filter element) | ||||
| Operating pressure | 0.15~1.0MPa(22~145psi) | ||||
| Proof pressure | 1.5MPa(215psi) | ||||
| Temperature ℃ | -20~80 | ||||
| Speed range mm/s | 50~200 | ||||
| Stroke tolerance | +1.0 | ||||
| Rotary angle tolerance | ±1.5° | ||||
| Cushion type① | No cushion | ||||
| Port size② | M5*8.0 | 1/8'' | |||
① If there is no buffering device, exhaust throttle shall be added to achieve buffering effect.
② PT thread, NPT and G thread are available.
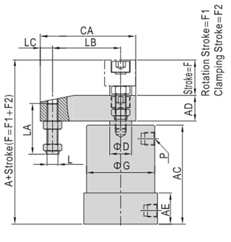
Stroke
| Bore size (mm) | Stroke type | 90° | 180° | Total stroke (90°/180°) |
25 32 | Rotation stroke | 14 | 20 | 26 |
| Clamping stroke | 12 | 6 | 26 | |
| 40 | Rotation stroke | 15 | 21 | 27 |
| Clamping stroke | 12 | 6 | 27 | |
| 50 63 | Rotation stroke | 15 | 21 | 29 |
| Clamping stroke | 14 | 8 | 29 |
Product Feature
1. The material of seals guarantees the reliable performance of the cylinder that is used under various conditions.
2. Three-slot guide structure leads to high guide precision.
3. There are single and double side clamping fingers can be selected (90°).
4. Levorotatory and dextrorotary are available: 90° and 180°.
5. The material of piston rod is made from special alloy steel, which has longer life after heat treatment.
Inner Structure and Material of Major Parts

| NO. | Item | Material | NO. | Item | Material |
| 1 | Screw | Carbon steel | 12 | Fixed pin | S45C |
| 2 | Rocker | Carbon steel | 13 | Back cover | Aluminum alloy |
| 3 | Rod packing | NBR | 14 | O-ring | NBR |
| 4 | O-ring | NBR | 15 | Push block | SCr440 |
| 5 | Piston rod | S45C | 16 | Bushing | SCr440 |
| 6 | Body | Aluminum alloy | 17 | Steel ball | Carbon steel |
| 7 | Piston seal | NBR | 18 | Rotary axis | SCr440 |
| 8 | Wear ring | Wear resistant material | 19 | Bumper | PTFE |
| 9 | Screw | Carbon steel | 20 | Screw | Carbon steel |
| 10 | Screw | Carbon steel | 21 | Nut | Carbon steel |
| 11 | O-ring | NBR |
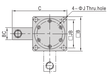
Dimension

Bore size/Item | A | AC | AD | AE | B | BC | A | CA | CB | D | F(90°/180°) | F1(90°) |
| 25 | 85 | 65 | 16 | 23 | 40 | 16 | 58 | 48 | 76 | 14 | 26 | 14 |
| 32 | 95 | 73 | 19 | 23 | 54 | 19 | 86 | 70 | 118 | 16 | 26 | 14 |
| 40 | 97 | 74 | 19 | 26 | 58 | 19 | 88 | 70 | 118 | 16 | 27 | 15 |
| 50 | 109.5 | 80 | 25.5 | 26 | 68 | 25.5 | 114 | 93 | 160 | 20 | 29 | 15 |
| 63 | 115.5 | 86 | 25.5 | 30 | 82 | 25.5 | 121 | 93 | 160 | 20 | 29 | 15 |
Installation and Application
Rocking shift initial point adjustment
According to the actual need, loosening screw, may adjust the rocking shaft initial point.
Note:
When assemble or disassemble the rocker by spanner and allen wrench; don’t hold the body to assemble or disassemble rocker, it may damage the cylinder.

Hot Tags: twist clamp cylinder--ack series, China, manufacturers, suppliers, buy, customized, made in China, Corrugated Pipe, Seal Rings, Vacuum Clamps, Grease Seal, Viton O Rings, Vacuum Pump Oil









